
招 標 公 告
甘肅省合作早子溝金礦有限責任公司
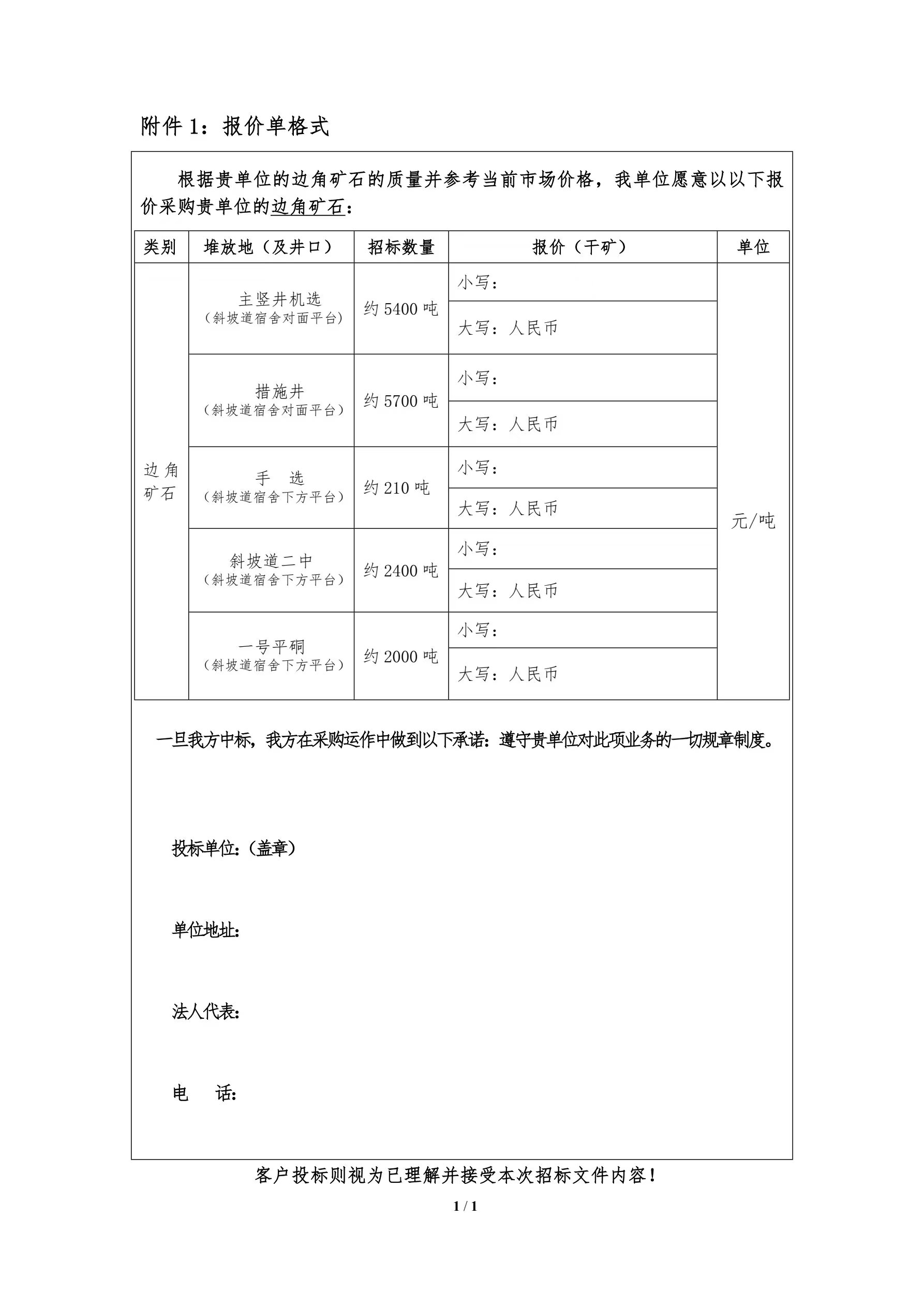
邊角礦石招標文件
本次招標產品為我公司邊角礦石。投標人需提供“三證合一”的營業執照復印件、法人授權委托書(原件)并加蓋企業公章,于2024年12月29日 17: 00 前將上述材料送交甘肅省合作早子溝金礦有限責任公司人力資源法務人員進行審核,審核合格后的單位應于2024年12月29日17:00前交納投標保證金(見下表,保證金須以轉賬方式支付)。投標保證金交納金額與我公司招標文件要求不符的、投標保證金未及時到賬的視為廢標。若投標人最終未中標,則由投標人開具收款收據后,我公司將一次性無息退還投標保證金。
本次招標產品如下:
注:本次招標產品數量為預估數,投標按干礦報價,中標結算濕礦以實際過磅數為準,水分按2%扣除計算干礦;我公司開具甘肅省增值稅普通發票(黃金)。
投標保證金交納賬戶如下:
戶名:甘肅省合作早子溝金礦有限責任公司
開戶行:工商銀行合作市支行營業室
賬號:2715080129200084613
行號:102838000020
聯 系 人:劉亞軍 電 話:15309414629
1.標書要求
標書須法定代表人或代理人簽字并加蓋公章,客戶將原件掃描后于2024年12月30日14:00-17:00間發送至招金礦業指定投標郵箱:zjkyxsb@163.com。
注:①標書郵件發送主題格式為“招標單位名稱+投標單位名稱”,2024年12月30日17:00時標書未發送至指定郵箱的則視為自動放棄投標資格。
②發送投標書的發件人即“郵箱發送地址”不能出現重復,即一個郵箱地址只能報送一個投標單位的標書。
③投標單位不得發送多封報價郵件,若出現多封報價郵件,則以最后時間發送的為準。
④請投標人如實填寫單位及法定代表人或代理人名稱,以保證今后貨款支付、合同簽訂、發票開具單位的一致性(附標書格式:見附頁)。
⑤招標出現兩家及以上中標的,招標產品平均分配銷售,或客戶同意后作為廢標處理,重新招標。
2.本次招標為一次性報價,在標書報送截止后現場制定底標并立即進行開標。高于底標的最高報價單位為中標單位,報價全部低于底標為流標;開標時符合投標要求的投標人少于三家則為流標;若投標人中標后放棄中標資格的,我公司扣留全額投標保證金,不予退回;中標人必須在合同生效后10個工作日內付清100%貨款到賬。
3.招標結束之后中標人必須在 3個工作日內預付貨款進行拉運。中標人需在中標后 3 日內進行合同簽訂(簽署合同的同時,投標保證金轉為同等金額的履約保證金),并根據合同約定事項,進行款項預付及貨物裝運。如中標人在合同規定時間內預付貨款不能及時到位,我公司將取消其本次中標資格并扣除全額投標保證金;若中標人未聽從我公司安排在規定時間內裝完貨物,我公司將有權終止合同并扣除中標人全額履約保證金(本次招標產品于2025年1月20日前拉運完畢)。為保障中標人的權益,我公司承諾,在此次招標產品數量內,我公司將不會銷售給除中標人以外的任何客戶。如本次招標有違反上述約定的行為,請貴公司撥打舉報電話進行投訴,舉報電話:0535-8262976。
4.如無異議,請投標人將此招標文件和報價單加蓋企業公章(或按捺手?。┰呙韬蟀l送至指定投標郵箱;報價單所需填寫的數據原則上要求電子版,若手寫須大小寫注明,如有涂改、不清晰或大小寫不一致的視為廢標。其他未盡事宜,以中標后簽訂的合同條款約定為準。
招標咨詢電話:李春才 13893927587
本次招標最終解釋權歸甘肅省合作早子溝金礦有限責任公司。
甘肅省合作早子溝金礦有限責任公司
2024年12月25日
投標人(簽字)蓋章
日期: